Ящик для электрической тали

ЭСКИЗ ДЕРЕВЯННОГО ЯЩИКА В 3D ДЛЯ ЭЛЕКТРИЧЕСКОЙ ТАЛИ ГП 3,2 Т ПО ГОСТ 2991-85
3D модель деревянного ящика для грузов массой до 1000 кг, выполненная по ГОСТу 2991-85 в программе SketchUp.
Габариты и размеры ящика могут меняться в зависимости от размеров и массы груза. Данная модель создана для груза, с определенными характеристиками.
Изготовление ящиков из дерева (древесины).
3D модель ящика по ГОСТу 2991-85 с тремя поясами жесткости

Габариты ящика:
Материалы на ящик из досок на электрическую таль:
|
№ п/п |
Секция |
Пилома-териал |
Толщи-на, мм |
Ширина, мм |
Длина, мм |
Кол-во ед., шт. |
Кол-во сумма, шт. |
Объем ед, м3 |
Сумма, м3 |
Длина, м |
|
1 |
Дно |
Брус |
100 |
100 |
1200 |
3 |
3 |
0,012 |
0,036 |
3,600 |
|
2 |
Дно |
Доска |
25 |
100 |
1500 |
12 |
12 |
0,004 |
0,045 |
18,000 |
|
3 |
Боковина |
Доска |
25 |
100 |
1175 |
6 |
6 |
0,003 |
0,018 |
7,050 |
|
4 |
Боковина |
Доска |
25 |
100 |
1500 |
20 |
20 |
0,004 |
0,075 |
30,000 |
|
5 |
Крышка |
Доска |
25 |
100 |
1500 |
12 |
12 |
0,004 |
0,045 |
18,000 |
|
6 |
Крышка |
Доска |
25 |
100 |
1200 |
3 |
3 |
0,003 |
0,009 |
3,600 |
|
7 |
Торец |
Доска |
25 |
100 |
950 |
4 |
4 |
0,002 |
0,010 |
3,800 |
|
8 |
Торец |
Доска |
25 |
100 |
1000 |
4 |
4 |
0,003 |
0,010 |
4,000 |
|
9 |
Торец |
Доска |
25 |
100 |
1150 |
20 |
20 |
0,003 |
0,058 |
23,000 |
|
11 |
Скоба |
Мет.лента |
1 |
20 |
400 |
12 |
12 |
0,000 |
0,000 |
4,800 |
|
12 |
Лента |
Мет.лента |
1 |
20 |
4700 |
2 |
2 |
0,000 |
0,000 |
9,400 |
|
Итог |
|
|
|
|
|
98 |
98 |
0,037 |
0,305 |
125,250 |
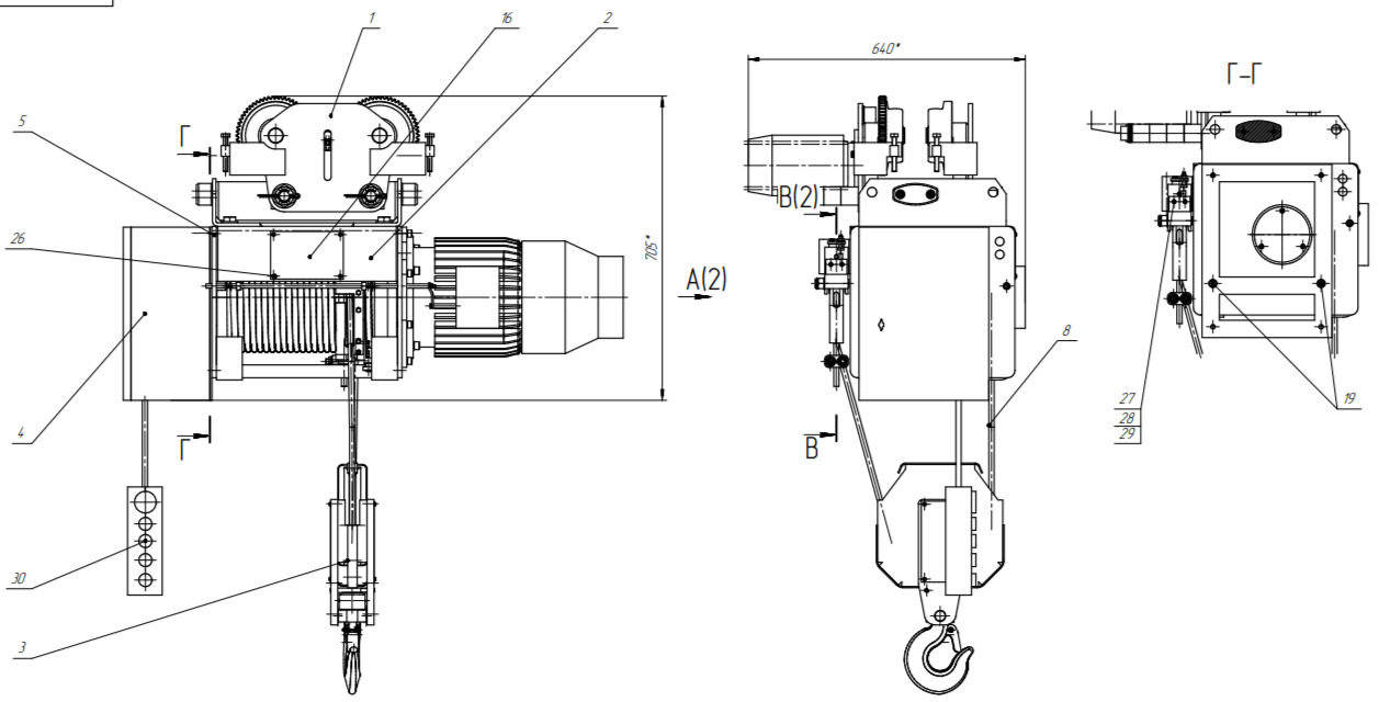
Таль электрическая г/п 3,2 тонны, чертеж:

ГОСТ на ящики: GOST_2991-85.pdf
Смотрите также, деревянный ящик по ГОСТ 2991-85 для вертикальных цилиндрических предметов (изделий): Деревянный ящик для высоких цилиндрических изделий
Автор эскиза в 3D - Фадеев Д.А.
Россия, Санкт-Петербург.
Просим уважать авторские права.
